Het is nu zo 07 dec 2025, 01:22


L-jetronic 2.8 start niet

Alles technische onderwerpen en vragen over het m30 motorblok
  • Auteur
  • Bericht
Offline

yoozt

Nieuw

  • Berichten: 47
  • Geregistreerd: za 20 jan 2018, 10:17

L-jetronic 2.8 start niet

Berichtzo 26 nov 2023, 15:08

Na 10 jaar stilstaan probeer ik een 2.8 m30 L-jetronic motor weer aan de praat te krijgen.

Hij slaat even aan maar gaat daarna meteen uit.
Waarschijnlijk start hij even op de koudstart klep (komt benz uit) en doet dan vervolgens niks meer.

Waar kan ik naar kijken?
Hoe beinvloeden de verschillende L-jetronic onderdelen elkaar? Bij motronic zit alles in de ecu, maar hier dus verdeelt..

wat ik al heb gedaan:
- benzinetank leeg gemaakt en nieuwe euro98 er in
- nieuw benzine filter
- nieuwe benzinedruk regelaar
- injectoren gereinigd.
- bougies vervangen (geven vonk)
- lampje aangesloten op verschillende injectorenstekkers: bij op contact hoor je een klik en gaat lampje even aan, bij starten continu rood (tot afslaan)
- er zit druk op de benzineleiding, benzinepomp draait
- zat LPG op, dit heb ik allemaal weg gehaald, 99% zeker dat alles elektronisch weer zit waar t hoort te zitten.
Offline

CeesBMW

Site Admin

  • Berichten: 4176
  • Geregistreerd: di 17 feb 2009, 23:00
  • Woonplaats: Almere

Re: L-jetronic 2.8 start niet

Berichtzo 26 nov 2023, 21:16

Das een probleem met de luchthoeveelheidsmeter, tijdens de start wordt die niet gebruikt maar moet direct na de start de juiste waarde geven aan de ECU.
Freude am Fahren
Offline

yoozt

Nieuw

  • Berichten: 47
  • Geregistreerd: za 20 jan 2018, 10:17

Re: L-jetronic 2.8 start niet

Berichtma 27 nov 2023, 14:20

CeesBMW schreef:Das een probleem met de luchthoeveelheidsmeter, tijdens de start wordt die niet gebruikt maar moet direct na de start de juiste waarde geven aan de ECU.


Hallo Cees,

Dank je wel voor je reactie! Is er een manier dit te testen, zonder meteen een andere luchtmeter te kopen?

Ik heb verschillende wire diagrams, ook weet ik wat de losse onderdelen doen, maar nog niet duidelijk wat precies elkaar beinvloed, zoals temp sensor, ignition module etc op bijv de luchthoeveelheidsmeter en daarmee het lopen van de motor zelf.
Welke kabels kan ik het beste nameten? (en hoe) krijgt de luchthoeveelheidsmeter een bepaald signaal niet door die hij wel hoort te krijgen bijvoorbeeld?
Offline

CeesBMW

Site Admin

  • Berichten: 4176
  • Geregistreerd: di 17 feb 2009, 23:00
  • Woonplaats: Almere

Re: L-jetronic 2.8 start niet

Berichtdi 28 nov 2023, 11:46

De luchthoeveelheidsmeter is niks anders dan een potmeter welke door een klep heen en weer gaat. Met een multimeter kan je al veel doen.
Freude am Fahren
Offline

yoozt

Nieuw

  • Berichten: 47
  • Geregistreerd: za 20 jan 2018, 10:17

Re: L-jetronic 2.8 start niet

Berichtdi 28 nov 2023, 15:18

CeesBMW schreef:De luchthoeveelheidsmeter is niks anders dan een potmeter welke door een klep heen en weer gaat. Met een multimeter kan je al veel doen.


Ik heb met de ohm meter kunnen meten dat, zodra ik de klep op en neer doe, de waardes veranderen, dus dat lijkt me goed.

Wat kan ik doen/moet ik meten om er achter te komen dat die luchthoeveelheidsmeter er wel of niet voor zorgt dat de motor afslaat?

cijfers boven de stekker vd lhm zijn: 5 9 E 7 6 (E van empty denk ik want daar zit geen aansluiting)
Offline

yoozt

Nieuw

  • Berichten: 47
  • Geregistreerd: za 20 jan 2018, 10:17

Re: L-jetronic 2.8 start niet

Berichtwo 29 nov 2023, 15:22

Aangezien ik dacht dat de benzinepomp wellicht uitging na het starten, heb ik deze rechtstreeks op de accu aangesloten, zodat hij continu benzine aanvoerde.

Helaas geen verschil..
Ik kan de benzinepomp zelf nog vervangen, al denk ik wel dat hij genoeg druk geeft (kan het niet meten).

Volgende keer trek ik de hele rail los om te kijken of de injectoren uberhaupt inspuiten (denk het niet)
Gekke is alleen dat wanneer ik een testlamp op een van de stekkers vd injectoren doe deze wel gewoon gaat branden als ik de motor start.
Offline

riemer

Professional

  • Berichten: 1518
  • Geregistreerd: vr 15 jan 2010, 21:14
  • Woonplaats: Lelystad

Re: L-jetronic 2.8 start niet

Berichtwo 29 nov 2023, 18:35

Als het niet de LMM is, dan zou je er misschien nog aan kunnen denken om de brandstofdrukregelaar te testen. Er komt wel een flinke straal benzine uit de ingaande slang zetten bij een test?
[O o [][] o O] BMW E23 745i 1984
Offline

yoozt

Nieuw

  • Berichten: 47
  • Geregistreerd: za 20 jan 2018, 10:17

Re: L-jetronic 2.8 start niet

Berichtdo 30 nov 2023, 07:41

riemer schreef:Als het niet de LMM is, dan zou je er misschien nog aan kunnen denken om de brandstofdrukregelaar te testen. Er komt wel een flinke straal benzine uit de ingaande slang zetten bij een test?


De brandstofdruk regelaar heb ik vernieuwd, dit is een 3 bar versie. Er komt inderdaad een flinke straal, onder druk uit als ik de ingaande leiding lostrek.
Offline

riemer

Professional

  • Berichten: 1518
  • Geregistreerd: vr 15 jan 2010, 21:14
  • Woonplaats: Lelystad

Re: L-jetronic 2.8 start niet

Berichtdo 30 nov 2023, 11:50

Dan toch maar even langs Cees voor een andere LMM.
[O o [][] o O] BMW E23 745i 1984
Offline

yoozt

Nieuw

  • Berichten: 47
  • Geregistreerd: za 20 jan 2018, 10:17

Re: L-jetronic 2.8 start niet

Berichtvr 01 dec 2023, 10:41

riemer schreef:Dan toch maar even langs Cees voor een andere LMM.


Heeft de LHM zoveel invloed op het wel of niet lopen? Ik kan me voorstellen dat hij slecht loopt als deze niet goed is, maar helemaal niet lopen.. hoe kan ik dit uitsluiten (zonder andere lhm te kopen)?
De ohmwaardes zijn goed als ik de klep open en dicht doe en er een multimeter op zet.
Offline

riemer

Professional

  • Berichten: 1518
  • Geregistreerd: vr 15 jan 2010, 21:14
  • Woonplaats: Lelystad

Re: L-jetronic 2.8 start niet

Berichtzo 03 dec 2023, 16:06

Met de LMM los, dan start ie misschien voor 1 sec en valt dan dood. Veel invloed dus. ;)
[O o [][] o O] BMW E23 745i 1984
Offline

CeesBMW

Site Admin

  • Berichten: 4176
  • Geregistreerd: di 17 feb 2009, 23:00
  • Woonplaats: Almere

Re: L-jetronic 2.8 start niet

Berichtdi 05 dec 2023, 20:02

Probeer te starten door met het gas te spelen, zodra ie loopt, direct gas geven. Als je hem zo wel aan kan houden is het zeker een defecte LHM.
Freude am Fahren
Offline

yoozt

Nieuw

  • Berichten: 47
  • Geregistreerd: za 20 jan 2018, 10:17

Re: L-jetronic 2.8 start niet

Berichtma 05 feb 2024, 12:39

Nog geen lopende motor, maar wel iets wijzer, dus toch maar even een update:

- Zodra ik bij het starten remmenreiniger in de inlaat spuit loopt de motor wel. Dus injectoren spuiten inderdaad niet in.
- inmiddels ook benzinepomp vervangen en er gaat benzine door de rail, dus ligt aan stroomtoevoer van de injectoren.
- ze gaan per 3, maar geen van de 6 doen dus iets (na eerste start) dus ligt neem ik aan aan de algemene stroomtoevoer van de injectoren.
- bij het starten gaat wel het lampje branden als ik die aan een stekker van een injector hang, dus dan krijgen ze nog wel stroom..

Binnenkort komt er iemand langs die meer verstand heeft van electronica, hopelijk kom ik er dan uit wat het precies is.
Offline

CeesBMW

Site Admin

  • Berichten: 4176
  • Geregistreerd: di 17 feb 2009, 23:00
  • Woonplaats: Almere

Re: L-jetronic 2.8 start niet

Berichtdi 13 feb 2024, 02:04

Dat is de ECU die de inspuiting regelt, of hij krijgt geen stroom, of hij is defect.
Freude am Fahren
Offline

yoozt

Nieuw

  • Berichten: 47
  • Geregistreerd: za 20 jan 2018, 10:17

Re: L-jetronic 2.8 start niet

Berichtdi 05 maart 2024, 12:39

Het gekke is dat de ecu wel gewoon stroom krijgt en ook de injectoren zelf. Zodra ik het contact aanzet of start gaat netjes het aangesloten lampje branden..

Nu toch maar een brandstofdrukmeter gekocht. Zodra die binnen is ga ik meteen kijken of hij wel netjes de 3bar haalt.

Andere lmm kan natuurlijk ook, maar ik geef liever niet onnodig geld uit, dus ik wacht hier nog even mee.
Offline

yoozt

Nieuw

  • Berichten: 47
  • Geregistreerd: za 20 jan 2018, 10:17

Re: L-jetronic 2.8 start niet

Berichtdo 07 maart 2024, 17:47

Vandaag de meter aangesloten en alles lijkt goed. Iets onder de 3bar, maar ik denk dat dat wel klopt.
De meter zit via een slang op een t-splitsing aangesloten.

Ik weet ff niet meer wat ik kan checken.. tijd voor externe hulp naast de wagen denk ik
Offline

CeesBMW

Site Admin

  • Berichten: 4176
  • Geregistreerd: di 17 feb 2009, 23:00
  • Woonplaats: Almere

Re: L-jetronic 2.8 start niet

Berichtdo 07 maart 2024, 21:23

Al eens aan het startrelais gedacht ? Dat is die tegen de zekeringenkast.Bij de 728i is dat een speciaal model.
Freude am Fahren
Offline

yoozt

Nieuw

  • Berichten: 47
  • Geregistreerd: za 20 jan 2018, 10:17

Re: L-jetronic 2.8 start niet

Berichtvr 08 maart 2024, 15:19

Hoi Cees,

Er zit idd een langwerpig, zwart relais aan de zekeringkast vast. Daar heb ik meerdere kabels van vervangen, want uitgehard. Dat is met name voor de benzinepomp toch? Als dit niet goed werkt doet de auto helemaal niks toch?

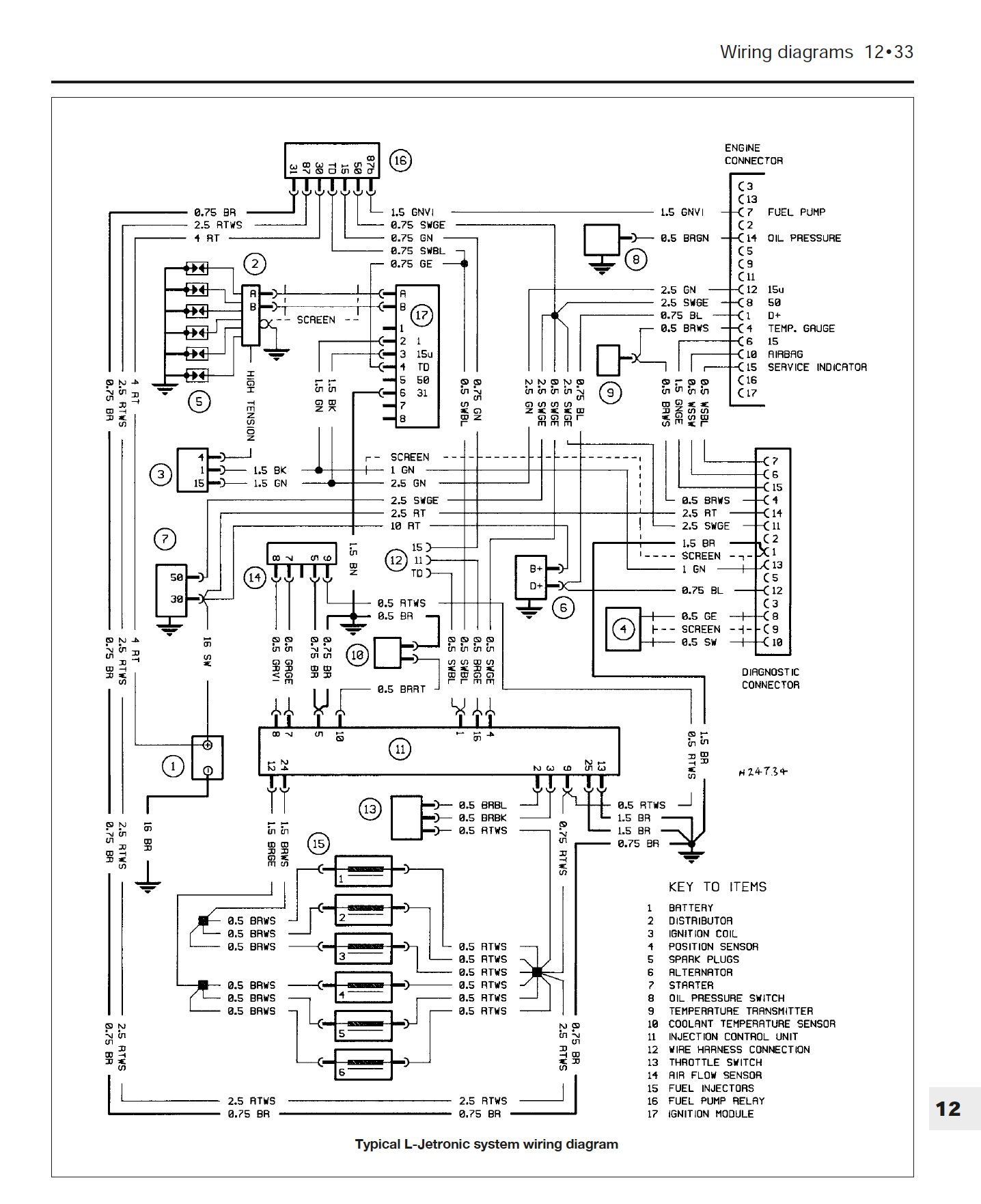
Ik heb meerdere wire diagram versies van L-jetronic gevonden, maar door fysiek alle snoeren na te lopen is onderstaande versie volgens mij de juiste, bedoel jij dan nr 16?

Image
Offline

yoozt

Nieuw

  • Berichten: 47
  • Geregistreerd: za 20 jan 2018, 10:17

Re: L-jetronic 2.8 start niet

Berichtzo 10 maart 2024, 10:59

Via een tip op t E28 forum kwam ik op een feed bij iemand met hetzelfde probleem. Ook hij vroeg zich af waar de ecu zijn signaal van kreeg.

It also cleared up that the crank signal doesn't come from the distributor, but the negative coil lead.

I ran a overlay wire from the negative coil to the ecu and now have injector pulse, problem solved.


Dus een rechtstreekse verbinding tussen de - van de bobine naar nr1 connector op de ecu.

Ik ben de foto's in mn telefoon gaan opzoeken en de groene kabel die ik heb weggehaald, waar ik het eerder over had liep van connector 13: ignition coil, rechtstreeks naar nr 1 op mn ecu.... blijkbaar mist ie dus die rechtstreek verbinding.. de ecu moet zn signaal dus rechtstreeks van de bobine krijgen (?)
Image

Dus ik zal dit weer aansluiten, maar dan snap ik nog steeds niet of dit ook echt zo hoort, of dat het iets is dat voor de LPG is aangelegd, een soort rechtstreeks signaal wat om een andere route heen gaat..

Normaal gaat hij vanaf de bobine (15) naar nr 19 op het schema hieronder: de Control unit for transistor ignition, vanuit hier loopt de kabel ook naar nr1 connector van de ECU (nr1 op het schema)

Weet iemand hier iets meer van?

Image
------

Daarnaast ben ik ook nieuwsgierig naar het volgende:
De (extra toegevoegde) groene draad bestond uit een binnen- en buitendraad en werd ook afgetakt naar de aarde aansluiting van de diagnose stekker (nr1), Waarom???

Bij de ECU zat hij zo vast en zat de buitendraad (aarde) niet aangesloten, op nr1
Image

Hieronder dezelfde draad aan de kant van de diagnose stekker:
- de binnenste draad (die aangesloten zat op de ecu, nr 1) gaat naar nr 13 op de diagnose connector: ignition coil
- de buitenste splitst af naar de aarde, nr 1:
Image
Offline

CeesBMW

Site Admin

  • Berichten: 4176
  • Geregistreerd: di 17 feb 2009, 23:00
  • Woonplaats: Almere

Re: L-jetronic 2.8 start niet

Berichtzo 10 maart 2024, 11:56

De ECU krijgt (bij een L-Jetronic) helemaal geen signaal van de ontsteking, alle injectoren spuiten namelijk tegelijk in. Als je gas inbouwt kan je zelfs de auto laten lopen zonder ECU.
Alleen een Motronic ECU krijgt een signaal want daar zit de ontstekingsmodule ge-integreerd.
Freude am Fahren
Offline

yoozt

Nieuw

  • Berichten: 47
  • Geregistreerd: za 20 jan 2018, 10:17

Re: L-jetronic 2.8 start niet

Berichtzo 10 maart 2024, 14:02

CeesBMW schreef:De ECU krijgt (bij een L-Jetronic) helemaal geen signaal van de ontsteking, alle injectoren spuiten namelijk tegelijk in. Als je gas inbouwt kan je zelfs de auto laten lopen zonder ECU.
Alleen een Motronic ECU krijgt een signaal want daar zit de ontstekingsmodule ge-integreerd.


Maar ik neem aan dat ze wel steeds open en dicht gaan toch? Als ik nu start krijgen ze continu stroom (testlampje gaat aan). Komt dit signaal om open en dicht te gaan vanaf de bobine, via de Control unit for transistor ignition, zoals in het eerder gestuurde schema?

Wat ik dus zoek is het punt waar de puls vandaan komt, zodat ik kan checken waarom de injectoren nu niet open en dicht gaan.

(nog even ter aanvulling: lpg systeem werd geschakeld dmv een relais. Deze zat tussen benzinepomp relais en de injectoren. Via de schakelaar bij het dashboard kon je zo oa de injectoren aan en uit zetten.)
Offline

CeesBMW

Site Admin

  • Berichten: 4176
  • Geregistreerd: di 17 feb 2009, 23:00
  • Woonplaats: Almere

Re: L-jetronic 2.8 start niet

Berichtzo 10 maart 2024, 20:22

De injectoren worden continue gepulst(aan de massa gelegd), de LMM geeft de pulslengte aan, nogmaals de ontsteking staat bij de L-Jetronic modellen volledig los van de ECU. De injectoren pulsen allemaal tegelijk en niet individueel.
Freude am Fahren
Offline

yoozt

Nieuw

  • Berichten: 47
  • Geregistreerd: za 20 jan 2018, 10:17

Re: L-jetronic 2.8 start niet

Berichtzo 10 maart 2024, 20:41

CeesBMW schreef:De injectoren worden continue gepulst(aan de massa gelegd), de LMM geeft de pulslengte aan, nogmaals de ontsteking staat bij de L-Jetronic modellen volledig los van de ECU. De injectoren pulsen allemaal tegelijk en niet individueel.


Ik begrijp dat de ontstekinig niet van de ECU komt bij een L-jetronic. Maar de ecu moet wel een signaal krijgen om de injectoren open en dicht te kunnen zetten toch? Waar krijgt de ecu dit signaal van dan?
Offline

CeesBMW

Site Admin

  • Berichten: 4176
  • Geregistreerd: di 17 feb 2009, 23:00
  • Woonplaats: Almere

Re: L-jetronic 2.8 start niet

Berichtzo 10 maart 2024, 23:10

Dat krijgt ie niet, zo werkt de L-Jetronic n.l. niet. Het enige wat ie doet is het meten van de hoeveelheid lucht (dmv de LMM) en adh daarvan bepalen hoe lang de injectoren gepulst moeten worden.
Zoals je hebt gemerkt zit er ook geen BDP of TDP sensor op die blokken. De sensor die voor op het vliegwiel zit is puur voor test doeleinde, Die kabels lopen naar de diagnosestekker en verder nergens naar toe.
Freude am Fahren
Offline

yoozt

Nieuw

  • Berichten: 47
  • Geregistreerd: za 20 jan 2018, 10:17

Re: L-jetronic 2.8 start niet

Berichtma 11 maart 2024, 13:20

duidelijk, dank je.
Als een injector continu stroom krijgt, staat ie dan open of dicht?
Want als ik de motor probeer te starten blijft er dus continu een lampje branden, zodra ik die daar op aansluit..

De lmm zorgt dus via de ECU dat ze open en dicht gaan, dus komen we toch weer terug op de lmm...
De ohm waardes veranderen bij open en dichtdoen klep lmm.. Zijn er nog andere dingen die ik kan testen voordat ik op zoek ga naar een andere lmm?

Blijkbaar heeft de LPG inbouwer dus een rechtstreekse lijn van het bobine signaal naar connector nr1 aangelegd vd ECU (via de kabel die naar de diagnose stekker gaat) Enig idee waarom dat dan was/is?
Volgende

Keer terug naar Motorisch

Wie is er online

Gebruikers op dit forum: Bing [Bot] en 36 gasten

cron